Pasar al contenido principal
Inicio

Navegación principal

  • Directorio
    • Agentes de Aduana
    • Agentes de Carga
    • Empresas de Paquetería
    • Registro
  • Recursos
    • Aranceles
    • Blog
    • Calculadoras
    • Ediciones
    • Glosario
    • Normativas
  • Sistema Armonizado
    • Fracciones arancelarias
    • Informes Técnicos
    • Notas Explicativas
    • Reglas Interpretativas
    • Tablas Correlación
  • Tienda
    • Cursos
    • Depósitos
    • Membresías
    • Servicios
    • Campus
    • Contacto
Menú de cuenta de usuario
  • Iniciar sesión

Para Empresas

SUSCRIPCIÓN PREMIUM

Disfrute de contenidos sin anuncios y otras funciones adquiriendo una membresía Premium.

 

DIRECTORIO OPERADORES DE COMERCIO EXTERIOR

¿Es operador de comercio internacional? registre ahora su empresa, únicamente necesita completar el siguiente formulario.

Revise las versiones premium y las versiones estandar disponibles para la visualización de su empresa.

Para más información puede comunicarse con nosotros en el siguiente enlace.

Ruta de navegación

  1. Inicio
  2. Notas Explicativas del Sistema Armonizado
  3. Sección V

Capítulo 27

Nota Explicativa por E-Aduana, 15 Julio, 2024
36 minutos
284 Vistas
Internacional
Capítulos
Notas Explicativas

27 Combustibles minerales, aceites minerales y productos de su destilación; materias bituminosas; ceras minerales

Índice de contenidos

Nota Explicativa

directorio
Directorio Internacional
Registre su Empresa en el Directorio Internacional de Operadores de Comercio Exterior
Registrar
Anunciar

1. Este Capítulo no comprende:

  1. los productos orgánicos de constitución química definida presentados aisladamente; esta exclusión no afecta al metano ni al propano puros, que se clasifican en la partida 27.11;
  2. los medicamentos de las partidas 30.03 o 30.04;
  3. las mezclas de hidrocarburos no saturados, de las partidas 33.01, 33.02 o 38.05.

2. La expresión aceites de petróleo o de mineral bituminoso, empleada en el texto de la partida 27.10, se aplica, no solo a los aceites de petróleo o de mineral bituminoso, sino también a los aceites análogos, así como a los constituidos principalmente por mezclas de hidrocarburos no saturados en las que los constituyentes no aromáticos predominen en peso sobre los aromáticos, cualquiera que sea el procedimiento de obtención.

Sin embargo, dicha expresión no se aplica a las poliolefinas sintéticas líquidas que destilen una proporción inferior al 60 % en volumen a 300°C referidos a 1.013 milibares cuando se utilice un método de destilación a baja presión (Capítulo 39).

3. En la partida 27.10, se entiende por desechos de aceites los desechos que contengan principalmente aceites de petróleo o de mineral bituminoso (tal como se definen en la Nota 2 de este Capítulo), incluso mezclados con agua. Estos aceites incluyen, principalmente:

  1. los aceites impropios para su utilización inicial (por ejemplo: aceites lubricantes, hidráulicos o para transformadores, usados);
  2. los lodos de aceites procedentes de los depósitos de almacenamiento de aceites de petróleo que contengan principalmente aceites de este tipo y una alta concentración de aditivos (por ejemplo, productos químicos) utilizados en la elaboración de productos primarios;
  3. los aceites que se presenten en emulsión acuosa o mezclados con agua, tales como los resultantes del derrame o lavado de depósitos de almacenamiento, o del uso de aceites de corte en las operaciones de mecanizado.

Notas de Subpartidas

directorio
Directorio Internacional
Registre su Empresa en el Directorio Internacional de Operadores de Comercio Exterior
Registrar
Anunciar
  1. En la subpartida 2701.11, se considera antracita, la hulla con un contenido límite de materias volátiles inferior o igual al 14 %, calculado sobre producto seco sin materias minerales.
  2. En la subpartida 2701.12, se considera hulla bituminosa, la hulla con un contenido límite de materias volátiles superior al 14 %, calculado sobre producto seco sin materias minerales, y cuyo valor calorífico límite sea superior o igual a 5.833 kcal/kg, calculado sobre producto húmedo sin materias minerales.
  3. En las subpartidas 2707.10, 2707.20, 2707.30 y 2707.40, se consideran benzol (benceno), toluol (tolueno), xilol (xilenos) y naftaleno los productos con un contenido de benceno, tolueno, xilenos o naftaleno, superior al 50 % en peso, respectivamente.
  4. En la subpartida 2710.12, se entiende por aceites livianos (ligeros) y preparaciones, los aceites y las preparaciones que destilen, incluidas las pérdidas, una proporción superior o igual al 90 % en volumen a 210 ºC, según el método ISO 3405 (equivalente al método ASTM D 86).
  5. En las subpartidas de la partida 27.10, el término biodiésel designa a los ésteres monoalquílicos de ácidos grasos de los tipos utilizados como carburantes o combustibles, derivados de grasas y aceites animales, vegetales o de origen microbiano, incluso usados.

Consideraciones Generales

directorio
Directorio Internacional
Registre su Empresa en el Directorio Internacional de Operadores de Comercio Exterior
Registrar
Anunciar

En general, este Capítulo comprende el carbón y demás combustibles minerales naturales y los aceites de petróleo o de mineral bituminoso, así como los productos resultantes de la destilación de estas materias y productos similares obtenidos por cualquier otro procedimiento. Comprende también las ceras minerales y las sustancias bituminosas naturales. Todos estos productos quedan comprendidos en este Capítulo, tanto en bruto como refinados; si presentan las características de productos orgánicos de constitución química definida presentados aisladamente, puros o comercialmente puros, se clasifican en el Capítulo 29, salvo en el caso del metano y del propano, incluso puros, que se clasifican en la partida 27.11. Para algunos de estos productos (por ejemplo, etano, benceno, fenol, piridina) existen criterios específicos de pureza que se indican en las Notas Explicativas de las partidas 29.01, 29.07 y 29.33.

Debe observarse que la expresión constituyentes aromáticos de la Nota 2 de este Capítulo y del texto de la partida 27.07, se interpretará como referida a moléculas enteras con una parte aromática, cualquiera que sea el número y longitud de las cadenas laterales, y no solo a la porción aromática de estas moléculas.

Este Capítulo no comprende:

  1. Los medicamentos de las partidas 30.03 o 30.04.
  2. Las preparaciones para perfumería, tocador o cosmética, comprendidas en las partidas 33.03 a 33.07.
  3. Los combustibles líquidos y los gases combustibles licuados en recipientes de los tipos utilizados para cargar o recargar encendedores o mecheros, de capacidad inferior o igual a 300 cm3 (partida 36.06).

Notas Complementarias NANDINA

directorio
Directorio Internacional
Registre su Empresa en el Directorio Internacional de Operadores de Comercio Exterior
Registrar
Anunciar

1. En las Notas Complementarias NANDINA siguientes, mientras no se indique expresamente, se aplicarán las Normas de la American Society for Testing Materials (ASTM), sobre definiciones y especificaciones normalizadas para productos petrolíferos y lubricantes.

2. Para la aplicación de las subpartidas NANDINA de la partida 27.10, se considerarán:

  1. Aceites medios (subpartidas 2710.19.12 a 2710.19.19), los aceites y preparaciones que destilen en volumen, incluidas las pérdidas, menos del 90 %, a 210 ºC, y 65 % o más a 250 ºC (Norma ASTM D 86).
  2. Aceites pesados (subpartidas 2710.19.21 a 2710.19.39), los aceites y preparaciones que destilen en volumen, incluidas las pérdidas, menos del 65 % a 250 ºC (Norma ASTM D 86) o en los cuales el porcentaje de destilación a 250 ºC no pueda determinarse con dicha Norma.

3. Se entiende por Espíritu de petróleo («white spirit») (subpartida 2710.12.91), un aceite liviano, sin aditivos, que destile entre 5 % y 90 % en volumen, incluidas las pérdidas, en un rango de temperatura inferior o igual a 60 ºC, siempre que su punto de inflamación sea superior a 21 ºC, según el método Abel Pensky (Norma DIN 51755) o por el método ASTM D 56.

4. Sin perjuicio de la aplicación de la Nota Complementaria NANDINA 2 a), se entiende por gasolina de aviación, aquella mezcla de hidrocarburos derivados de petróleo, gasolina natural o mezclas de hidrocarburos sintéticos o aromáticos, o ambos, libre de agua, sedimentos y de materiales sólidos en suspensión apta para ser utilizada como combustible en aviones con motores de combustión interna de encendido por chispa (motores de explosión) y que posean además las siguientes características:

a) Azufre: Contenido máximo 0,05 % en peso según Método D-2622 (ASTM);

b) Goma: Contenido máximo, luego de 5 horas de oxidación acelerada: 6 mg/100 ml según Método D-873 (ASTM).

c) Índice de antidetonante (Indice de Octano):

Tipo de gasolinaMétodo D-2700Método D-909
80-878087
100-130100130
115-145115*145

(*) Estos valores se refieren al índice de operación («Perfomance Number»).

d) Tensión de vapor: Máximo 0,499 kg/cm² (49 kPa) y mínimo 0,387 kg/cm² (38 kPa) según Método D-323 (ASTM);

e) Tetraetilo de plomo: Contenido máximo según Método D-3341 (ASTM).

Tipo de gasolinaTetraetilo de plomo (ml/l)
80-870,13
91-980,85
100-1301,057
115-1451,22

5. Se entiende por Queroseno (subpartida 2710.19.14), los aceites medios definidos en la Nota Complementaria NANDINA 2 a) anterior, cuyo punto de inflamación sea superior a 21 ºC según el método «Abel-Pensky» (Norma DIN 51755) o por el método ASTM D 56.

6. Se entiende por gasoil (Gasóleo) (subpartida 2710.19.21), los aceites pesados definidos en la Nota Complementaria NANDINA 2 b) anterior, que destilen en volumen, incluidas las pérdidas, el 85 % o más a 350 ºC (Norma ASTM D-86).

7. Se entiende por Fueloils (fuel) (subpartida 2710.19.22), el aceite pesado (distinto del gasóleo) que destilen en volumen, incluidas las pérdidas, menos del 85 % a 350 ºC o el 25 % o más, a 300 ºC (Método ASTM D 86).

Notas Complementarias Nacionales Perú

directorio
Directorio Internacional
Registre su Empresa en el Directorio Internacional de Operadores de Comercio Exterior
Registrar
Anunciar

1. En las subpartidas nacionales 2710.20.00.11, 2710.20.00.12 y 2710.20.00.13 se entiende por Diesel B2, Diesel B5 y Diesel B20, a las mercancías cuya composición es la siguiente:

Biodiesel B100 
(% Vol.)
Diesel Nº 2 
(% Vol.)
Denominación
298Diesel B2
595Diesel B5
2080Diesel B20

Estos productos deben cumplir con las especificaciones del Diesel Nº 2, de conformidad a las normas legales vigentes.

2. En las subpartidas nacionales 2710.12.13.21, 2710.12.13.31, 2710.12.13.41 y 2710.12.13.51, las mezclas de gasolinas con 7,8 % de alcohol carburante deberán cumplir con las especificaciones de calidad establecidas en la normatividad vigente.

3. En las subpartidas nacionales 2710.19.21.11, 2710.19.21.91, 2710.20.00.11, 2710.20.00.12, 2710.20.00.13 y 2710.20.00.19, los gasoils con un contenido de azufre menor o igual a 50 partes por millón (ppm) deberán cumplir con las especificaciones de calidad establecidas en la normatividad vigente.

Notas Complementarias MERCOSUR

directorio
Directorio Internacional
Registre su Empresa en el Directorio Internacional de Operadores de Comercio Exterior
Registrar
Anunciar
  1. La expresión Gasolinas empleada en el texto de la subpartida regional 2710.12.5 comprende toda mezcla de hidrocarburos livianos apta para su utilización en motores de explosión, denominada «nafta» en Argentina, Paraguay y Uruguay. Estas mezclas no deben confundirse con las Naftas de la subpartida regional 2710.12.4 que se utilizan generalmente en petroquímica o como disolvente.

Notas Complementarias Nacionales Venezuela

directorio
Directorio Internacional
Registre su Empresa en el Directorio Internacional de Operadores de Comercio Exterior
Registrar
Anunciar

1. En las Notas Complementarias siguientes, mientras no se indique expresamente, se aplicarán las Normas de la American Society for Testing Materials (ASTM), sobre definiciones y especificaciones normalizadas para productos petrolíferos y lubricantes.

2. Para la aplicación de la partida 27.10, se considera:

  1. «Aceites medios», los aceites y preparaciones que destilen en volumen, incluidas las pérdidas, menos del 90%, a 210°C, y 65% o más a 250°C (Norma ASTM D 86).
  2. «Aceites pesados», los aceites y preparaciones que destilen en volumen, incluidas las pérdidas, menos del 65% a 250°C (Norma ASTM D 86) o en los cuales el porcentaje de destilación a 250°C no pueda determinarse con dicha Norma.

3. Se entenderá por Espíritu de petróleo («white spirit»), un aceite liviano, sin aditivos, que destile en volumen, incluidas las pérdidas, un intervalo entre 5% y 90%, a temperatura igual o inferior a 60°C, siempre que su punto de inflamación sea superior a 21°C, según el método Abel Pensky (Norma DIN 51755) o por el método ASTM D 56.

4. Sin perjuicio de la aplicación de la Nota Complementaria 2 a), se entiende por «gasolina de aviación», aquella mezcla de hidrocarburos derivados de petróleo, gasolina natural o mezclas de hidrocarburos sintéticos o aromáticos, o ambos, libre de agua, sedimentos y de materiales sólidos en suspensión apta para ser utilizada como combustible en aviones con motores de combustión interna de encendido por chispa (motores de explosión) y que posean además las siguientes características:

  1. Azufre: Contenido máximo 0,05% en peso según Método D-2622 (ASTM);
  2. Goma: Contenido máximo, luego de 5 horas de oxidación acelerada: 6 mg/100 ml según Método D-873 (ASTM).
  3. Índice de antidetonante (Indice de Octano):
Tipo de gasolinaMétodo D-2700Método D-909
80 - 878087
100 - 130100130
115 - 145115*145

(*) Este valor se refiere al índice de operación («Perfomance Number»).

  1. Tensión de vapor: Máximo 0,499 Kg/cm2 (49 kPa) y mínimo 0,387 Kg/cm2 (38 kPa) según Método D-323 (ASTM);
  2. Tetraetilo de plomo: Contenido máximo según Método D-3341 (ASTM).
Tipo de gasolinaTetraetilo de plomo (ml/l)
80 - 870.13
91 - 980.85
100 - 1301.057
115 - 1451.22

5. Se entenderá por «Queroseno», los aceites medios definidos en la Nota Complementaria 2 a) anterior, cuyo punto de inflamación sea superior a 21°C según el método «Abel-Pensky» (Norma DIN 51755) o por el método ASTM D 56.

6. Se entenderá por «gasoil» (Gasóleo), los aceites pesados definidos en la Nota Complementaria 2 b) anterior, que destilen en volumen, incluidas las pérdidas, el 85% o más a 350°C (Norma ASTM D 86).

7. Se entenderá por «Fueloils» (Fuel), el aceite pesado (distinto del gasóleo) que destilen en volumen, incluidas las pérdidas, menos del 85% a 350°C o el 25% o más, a 300°C, (Método ASTM D 86).

Notas Complementarias Nacionales México

directorio
Directorio Internacional
Registre su Empresa en el Directorio Internacional de Operadores de Comercio Exterior
Registrar
Anunciar

1. Este Capítulo no comprende:

  1. Las preparaciones para perfumería, tocador o cosmética, comprendidas en las partidas 33.03 a 33.07;
  2. Los combustibles líquidos y los gases combustibles licuados en recipientes de los tipos utilizados para cargar o recargar encendedores o mecheros, de capacidad inferior o igual a 300 cm3 (partida 36.06).

2. Para efectos de la subpartida 2709.00, se entiende por:

  1. Aceites crudos de petróleo pesados: aquellos que se encuentran en un rango de 10° API (American Pretroleum Institute), pero inferior o igual a 22.3° API;
  2. Aceites crudos de petróleo medianos: aquellos que se encuentran en un rango superior a 22.3°API, pero inferior o igual a 31.1°API; c) Aceites crudos de petróleo ligeros: aquellos que se encuentran en un rango superior a 31.1°API, pero inferior o igual a 39°API.

3. Para los efectos de la subpartida 2710.19, se entenderá por aceites lubricantes básicos aquellos que tengan una viscosidad cinemática superior a 7.5 centistokes (cSt) a 40 °C, determinada por el método de la norma ASTM D-445(De la Sociedad Americana para Pruebas y Materiales, "ASTM" por sus siglas en inglés).

Notas Complementarias Estados Unidos

directorio
Directorio Internacional
Registre su Empresa en el Directorio Internacional de Operadores de Comercio Exterior
Registrar
Anunciar

1.

a. Los aceites crudos de petróleo, los aceites crudos obtenidos de minerales bituminosos y el petróleo crudo reconstituido, si son productos de Canadá, se admitirán libres de derechos y cualquier entrada correspondiente se liquidará o reliquidará en consecuencia si, a más tardar el día 180 después de la fecha de entrada, se presenta documentación ante el funcionario aduanero correspondiente que establezca que, de conformidad con un acuerdo de intercambio comercial entre refinadores de Estados Unidos y Canadá, aprobado por el Secretario de Energía:

  1. El Secretario ha emitido una licencia de importación para los productos objeto de dicha entrada; y
  2. Una cantidad equivalente de aceites crudos de petróleo, nacionales o extranjeros sujetos al pago de derechos, aceites crudos obtenidos de minerales bituminosos o petróleo crudo reconstituido, de conformidad con dicho acuerdo de intercambio comercial y una licencia de exportación expedida por el Secretario de Comercio, se ha exportado de Estados Unidos a Canadá y no se ha utilizado previamente para la entrada libre de derechos de productos canadienses similares conforme a esta nota de EE. UU.

b. El Secretario del Tesoro, tras consultar con el Secretario de Comercio y el Secretario de Energía, emitirá las normas o reglamentos necesarios para regular la admisión de productos canadienses de conformidad con las disposiciones de esta nota de EE. UU.

2. A efectos de la partida 27.10, "aceites de petróleo" incluye únicamente productos con:

a. Un punto de solidificación (ASTM D 938) inferior a 30 °C;

b. Si el punto de solidificación no es inferior a 30 °C:

  1. Una densidad a 70 °C inferior a 0,942 y una penetración de cono trabajado (ASTM D 217) o una penetración de cono (ASTM D 937) a 25 °C no inferior a 350; o
  2. Si la densidad a 70 °C no es inferior a 0,942 y una penetración de aguja (ASTM D 5) a 25 °C no inferior a 400.

3. A efectos de la subpartida 2710.12.15, se entiende por "carburante para motores" cualquier producto derivado principalmente del petróleo, esquisto bituminoso o gas natural, con o sin aditivos, que se utilice principalmente como combustible en motores de combustión interna u otros motores.

4. A efectos de las subpartidas 2710.12.18, 2710.19.25 y 2710.20.15, se entiende por "mezcla de carburante" cualquier producto (excepto las naftas de la subpartida 2710.12.25) derivado principalmente del petróleo, del petróleo de esquisto bituminoso o del gas natural, con o sin aditivos, destinado a la mezcla directa en la fabricación de carburante.

5. Para determinar los pesos relativos de los componentes de las mezclas comprendidas en las subpartidas 2710.12.45 y 2710.19.45, no se tendrán en cuenta la nafta ni los demás derivados del petróleo que puedan estar presentes en dichas mezclas como disolventes.

6. A efectos de la partida 27.16:

  1. El término "energía eléctrica" no incluye la energía eléctrica transmitida como medio de comunicación; y
  2. La energía eléctrica no estará sujeta a los requisitos de entrada para mercancías importadas establecidos en la sección 484 de la Ley Arancelaria de 1930, en su versión modificada (19 U.S.C. 1484), pero se ingresará periódicamente de conformidad con las reglamentaciones que prescriba el Secretario del Tesoro.

7. A los efectos de este capítulo, el término barril (bbl) significa un barril de 158.98 litros medido a 15.6 °C. 8. La subpartida 2712.10.00 no incluye la vaselina, adecuada para el cuidado de la piel, envasada en envases del tipo que se vende al por menor para dicho uso (subpartida 3304.99.10).

Notas Estadísticas

  1. A efectos del informe estadístico número 2710.12.4560, el término «combustibles renovables» se refiere a los combustibles producidos a partir de material biogénico según el método ISO 16620-2 (equivalente al método ASTM D 6866).

Notas Complementarias Centroamericanas

directorio
Directorio Internacional
Registre su Empresa en el Directorio Internacional de Operadores de Comercio Exterior
Registrar
Anunciar

A. En el inciso arancelario 2707.99.10.00, se considera fenoles los productos con un contenido de fenoles superior al 50 % en peso.

B. Para la aplicación de las subpartidas de la partida 27.10, se entiende por:

a) Aceites medios y preparaciones

  • los aceites y las preparaciones que destilen, incluidas las pérdidas, una proporción inferior al 90 % a 210 ºC y una proporción superior o igual al 65 % a 250 ºC, según la Norma ISO 3405 (equivalente a la Norma ASTM D 86).

b) Aceites pesados y preparaciones

  • los aceites y las preparaciones que destilen, incluidas las pérdidas, una proporción inferior al 65 % a 250 ºC, según la Norma ISO 3405 (equivalente a la Norma ASTM D 86), o aquéllos en los que el porcentaje de destilación a 250 ºC no puede ser determinado por este método.

c) Éter de petróleo

  • el aceite ligero y las preparaciones que destilen, incluidas las pérdidas, una proporción superior o igual al 95 % a 120 ºC, según la Norma ISO 3405 (equivalente a la Norma ASTM D 86).

d) Gasolina (incluida la gasolina de aviación)

  • los aceites ligeros y las preparaciones de los tipos utilizados como combustible en motores de émbolo (pistón).

e) Espíritu blanco (“White spirit”)

  • el aceite ligero y las preparaciones que no contienen antidetonantes ni es utilizado como gasolina para motores, cuya diferencia de temperatura entre los puntos de destilación, incluidas las pérdidas, en una proporción del 5 % y 90 %, es inferior o igual a 60 ºC, según la Norma ISO 3405 (equivalente a la Norma ASTM D 86), y cuyo punto de inflamación es superior a 21 ºC, según la Norma ASTM D 93.

f) Otros aceites

  • ligeros para uso industrial los aceites y las preparaciones (excepto el espíritu blanco) que no contienen antidetonantes ni son utilizados como gasolina para motores, cuya diferencia de temperatura entre los puntos que destilen, incluidas las pérdidas, una proporción del 5 % y 90 %, es inferior o igual a 70 ºC, según la Norma ISO 3405 (equivalente a la Norma ASTM D 86), y cuyo punto de inflamación es superior o igual a 7 ºC, según la Norma ASTM D 93.

g) Kerosenos (incluido el keroseno para motores de reacción)

  • los aceites medios y las preparaciones cuyo punto de inflamación es superior a 21 ºC según la Norma ASTM D 93, de los tipos utilizados principalmente como combustible en motores de turbina, motores de reacción o como combustible para calefacción o alumbrado.

h) Otros aceites medios para uso industrial

  • los aceites y las preparaciones que destilen, incluidas las pérdidas, una proporción superior o igual al 90 % a 235 ºC, según la Norma ISO 3405 (equivalente a la Norma ASTM D 86), y con gravedad API de 40 a 60 con punto de inflamación superior o igual a 70 ºC pero inferior a 96 ºC, según la Norma ASTM D 93.

ij) Diésel Oíl (Gas oíl)

  • los aceites pesados y las preparaciones que destilen, incluidas las pérdidas, una proporción superior o igual al 85 % a 350 ºC, según la Norma ISO 3405 (equivalente a la Norma ASTM D 86), utilizados principalmente como combustible para motores Diésel o para calefacción.

k) Fuel oíl No. 6 (Bunker C)

  • los aceites pesados y las preparaciones distintos al diésel oíl (Gas oíl), de los tipos utilizados como combustible en el sector industrial, principalmente para generación de calor o trabajo (turbinas o generadores).

l) Otros aceites combustibles (Fuel oíl)

  • los aceites pesados y las preparaciones distintos al diésel oíl (Gas oíl) y Fuel oíl No. 6 (Bunker C).

m) Aceites básicos parafínicos o nafténicos, refinados

  • los aceites minerales pesados puros, obtenidos de refinación del petróleo, que constituyan la base para la fabricación de aceites y grasas lubricantes.

n) Norma ASTM D 86

  • el método de Prueba Estándar para Destilación de Productos de Petróleo establecido por la Sociedad Americana para Prueba y Materiales (American Society for Testing & Materials).

o) Norma ASTM D 93

  • el método de Prueba Estándar para el Punto de Inflamación de Productos de Petróleo establecido por la Sociedad Americana para Prueba y Materiales (American Society for Testing & Materials).

Notas de la Nomenclatura Combinada de la Unión Europea

directorio
Directorio Internacional
Registre su Empresa en el Directorio Internacional de Operadores de Comercio Exterior
Registrar
Anunciar

1. En la subpartida 2707.99.80, se considera «fenoles» los productos con un contenido de fenoles superior al 50 % en peso.

2. Para la aplicación de la partida 27.10 se considerará:

a) «gasolinas especiales» (subpartidas 2710.12.21 y 2710.12.25), los aceites ligeros definidos en la Nota 4 de subpartidas del Capítulo 27, que no contengan antidetonantes y cuyo intervalo de temperatura sea igual o inferior a 60 °C entre los puntos de destilación en volumen, incluidas las pérdidas del 5 % y 90 %;

b) «white spirit» (subpartida 2710.12.21), las gasolinas especiales definidas en la letra a) anterior cuyo punto de inflamación sea superior a 21 °C, según la norma EN ISO 13736;

c) «aceites medios» (subpartidas 2710.19.11 a 2710.19.29), los aceites y preparaciones que destilen en volumen, incluidas las pérdidas, inferior al 90 % a 210 °C pero superior o igual al 65 % a 250 °C, según la norma ISO 3405 (equivalente a la norma ASTM D 86);

d) «aceites pesados» (subpartidas 2710.19.31 a 2710.19.99 y 2710.20.11 a 2710.20.90), los aceites y preparaciones que destilen en volumen, incluidas las pérdidas, inferior al 65 % a 250 °C, según la norma ISO 3405 (equivalente a la norma ASTM D 86), o aquellos para los que la proporción de destilación a 250 °C no pueda determinarse por dicha norma;

e) «gasóleo» (subpartidas 2710.19.31 a 2710.19.48 y 2710.20.11 a 2710.20.19), los aceites pesados definidos en la letra d) anterior que destilen en volumen, incluidas las pérdidas, superior o igual al 85 % a 350 °C, según la norma ISO 3405 (equivalente a la norma ASTM D 86);

f) «fueloil» (subpartidas 2710.19.51 a 2710.19.67 y 2710.20.32 a 2710.20.38), los aceites pesados definidos en la letra d) anterior, distintos de los gasóleos definidos en la letra e) anterior, y cuya viscosidad V, en relación con el color diluido C, sea:

  • igual o inferior a los valores de la línea I del cuadro siguiente, si el contenido de cenizas sulfatadas fuese inferior al 1 %, según la norma ISO 3987, y el índice de saponificación fuese inferior a 4, según la norma ISO 6293-1 o ISO 6293-2 (salvo si el producto contiene uno o más biocomponentes, en cuyo caso no es aplicable el requisito establecido en el presente guion de que el índice de saponificación debe ser inferior a 4),
  • superior a los valores de línea II, si el punto de gota fuese superior o igual a 10 °C, según la norma ISO 3016, o bien,
  • igual a los valores de la línea II o comprendida entre los valores de las líneas I y II, si destilasen en volumen a 300 °C superior o igual al 25 %, según la norma ISO 3405 (equivalente a la norma ASTM D 86), o si destilasen en volumen a 300 °C inferior al 25 %, cuando el punto de gota sea superior a 10 °C bajo cero, según la norma ISO 3016. Estas disposiciones se aplican solamente a los aceites que presenten un color diluido C inferior a 2.

Tabla de correspondencia color diluido (C)/viscosidad (V)

Viscosidad (V)Color (C)
III 
740
740.5
741
75.41.5
992
15.115.12.5
25.325.33
42.442.43.5
71.171.14
1191194.5
2002005
3353355.5
5625626
9439436.5
158015807
265026507.5 o más

Por «viscosidad (V)» se entiende la viscosidad cinemática a 50 °C, expresada en 10–6 m2 s–1, según la norma EN ISO 3104.

Se entenderá por «color diluido (C)» el color, medido según la norma ISO 2049 (equivalente a la norma ASTM D 1 500), que presente el producto tras la dilución de una unidad de volumen hasta alcanzar 100 unidades de volumen, con xileno, tolueno u otro disolvente apropiado. El color deberá determinarse inmediatamente después de diluir el producto.

Se entiende por «biocomponentes» las grasas de origen animal o vegetal, los aceites de origen animal o vegetal, o los ésteres monoalquílicos de ácidos grasos (FAMAE).

El color de los «fueles» de las subpartidas 2710.19.51 a 2710.19.67 y 2710.20.32 a 2710.20.38 debe ser natural.

Estas subpartidas no comprenden los aceites pesados definidos en la letra d) anterior en los que no sea posible determinar:

  • el porcentaje de destilación a 250 °C (el cero se considera un porcentaje) según la norma ISO 3405 (equivalente a la norma ASTM D 86), o
  • la viscosidad cinemática a 50 °C, según la norma EN ISO 3104, o
  • el color diluido (C), según la norma ISO 2049 (equivalente a la norma ASTM D 1500).

Estos productos se clasifican en las subpartidas 2710.19.71 a 2710.19.99 o 2710.20.90;

g) que la expresión «que contengan biodiésel» significa que los productos de la subpartida 2710.20 tienen un contenido mínimo de biodiésel, es decir, de ésteres monoalquílicos de ácidos grasos (FAMAE) de los tipos utilizados como carburantes o combustibles, del 0,5 % en volumen según la norma EN 14078.

3. Para la aplicación de la partida 27.12, se considerará vaselina en bruto (subpartida 2712.10.10) la que presente una coloración natural superior a 4,5, según la norma ISO 2049 (equivalente a la norma ASTM D 1500).

4. Se considerará «en bruto», a los efectos de las subpartidas 2712.90.31 a 2712.90.39, los productos que tengan:

  1. class-list a) un contenido de aceites superior o igual al 3,5 % en peso si la viscosidad a 100 °C fuera inferior a 9 × 10–6 m2 s–1 según la norma EN ISO 3104, o bien
  2. una coloración natural superior a 3 según la norma ISO 2049 (equivalente a la norma ASTM D 1500) si la viscosidad a 100 °C fuera superior o igual a 9 × 10–6 m2 s–1 según la norma EN ISO 3104.

5. Para la aplicación de las partidas 27.10, 27.11 y 27.12, se entiende por «tratamiento definido» las operaciones siguientes:

  1. class-list a) la destilación al vacío;
  2. la redestilación por un procedimiento extremado de fraccionamiento;
  3. el craqueo;
  4. el reformado;
  5. la extracción con disolventes selectivos;
  6. el tratamiento que comprenda el conjunto de las operaciones siguientes: tratamiento con ácido sulfúrico concentrado, con óleum o con anhídrido sulfúrico, neutralización con agentes alcalinos, decoloración y purificación con tierra activa natural, con tierra activada, con carbón activado o con bauxita;
  7. la polimerización;
  8. la alquilación;
  9. la isomerización;
  10. ídem al anterior;
  11. la desulfuración mediante hidrógeno, solamente en lo que se refiere a los productos de las subpartidas 2710.19.31 a 2710.19.99, que alcance una reducción del contenido de azufre de los productos tratados superior o igual al 85 % (normas EN ISO 20846, EN ISO 20884 o EN ISO 14596 o EN ISO 24260, EN ISO 20847 y EN ISO 8754);
  12. el desparafinado por procedimientos distintos de la simple filtración, solamente en lo que se refiere a los productos de la partida 27.10;
  13. el tratamiento con hidrógeno, distinto de la desulforación, solamente en lo que se refiere a los productos de las subpartidas 2710.19.31 a 2710.19.99, en el que el hidrógeno participe activamente en una reacción química que se realice a una presión superior a 20 bares y a una temperatura superior a 250 °C con un catalizador. Por el contrario, los tratamientos de acabado con hidrógeno de los aceites lubricantes de las subpartidas 2710.19.71 a 2710.19.99, cuyo fin principal sea mejorar el color o la estabilidad (por ejemplo: «hydrofinishing» a decoloración) no se consideran tratamientos definidos;
  14. la destilación atmosférica, solamente en lo que se refiere a los productos de las subpartidas 2710.19.51 a 2710.19.67, siempre que estos productos destilen en volumen, incluidas las pérdidas, sea inferior al 30 % a 300 °C según la norma ISO 3405 (equivalente a la norma ASTM D 86). Si destilasen en volumen, incluidas las pérdidas, fuera superior o igual al 30 % a 300 °C según la norma ISO 3405 (equivalente a la norma ASTM D 86), los productos de las subpartidas 2710 12 11 a 2710.12.90 o 2710.19.11 a 2710.19.29 en su caso, se obtengan durante la destilación atmosférica, adeudarán los derechos previstos para las subpartidas 2710.19.62 a 2710.19.67 según la clase y el valor de los productos, que se hayan tratado y tomando como base el peso neto de los productos que se hayan obtenido. Esta disposición no se aplicará a los productos que posteriormente se destinen a otro tratamiento definido o a una transformación química mediante un tratamiento distinto de los considerados como definidos dentro de un plazo máximo de seis meses y en las demás condiciones que determinen las autoridades competentes;
  15. el tratamiento por descargas eléctricas de alta frecuencia, solamente con relación a los productos de las subpartidas 2710.19.71 a 2710.19.99;
  16. el desaceitado por cristalización fraccionada, solamente por lo que se refiere a los productos de la subpartida 2712.90.31.

Cuando técnicamente resulte necesaria una preparación previa a los tratamientos mencionados, la libertad de derechos solo se aplicará a los productos efectivamente sometidos a los tratamientos definidos en los apartados anteriores y a los que dichos productos están destinados; las pérdidas que, en su caso, puedan producirse durante la preparación previa también estarán libres de derechos.

6. Los productos de las subpartidas 2707.10.00, 2707.20.00, 2707.30.00, 2707.50.00, 27.10, 27.11, 27.12 10, 2712.20, 2712.90.31 a 2712.90.99 y 2713.90 que, en su caso, pudieran obtenerse durante la transformación química o la preparación previa que técnicamente resulte necesaria adeudarán los derechos previstos para las subpartidas de «destinados a otros usos», según la clase y el valor de los productos sometidos a tratamiento, y tomando como base el peso neto de los productos que se hayan obtenido. Esta disposición no se aplicará a los productos de las partidas 27.10 a 27.12 que posteriormente se destinen a un nuevo tratamiento definido o a una transformación química dentro de un plazo máximo de seis meses y en las demás condiciones que determinen las autoridades competentes.


Salvo indicación en contrario, se entenderá por «método» la última versión de los métodos de determinación establecidos por el Comité européen de normalisation (CEN), la International Standardisation Organisation (ISO) o la American Society for Testing and Materials (ASTM).

Consideraciones Generales

Salvo indicaciones en contrario, se entenderá por «normas ASTM» las de la American Society for gesting Materials.

Nota 2

1. Para determinar el contenido de compuestos aromáticos se aplicarán los métodos siguientes:

  • productos cuyo punto final de destilación sea igual o inferior o 315 grados Celsius: norma EN 15553;
  • productos cuyo punto final de destilación sea superior a 315 grados Celsius: véase el anexo A de las notas explicativas de este capítulo.

2. La expresión «aceites análogos» incluye, entre otras, las siguientes mezclas de hidrocarburos:

  • gasóleos sintéticos y parafínicos, sobre todo los «aceites vegetales tratados con hidrógeno» (HVO) y los «combustibles líquidos obtenidos mediante la conversión de gases»;
  • productos procedentes de fuentes renovables resul tantes de los siguientes procesos: «conversión de biomasa en combustibles líquidos» o «conversión de biogases en combustibles líquidos»;
  • productos obtenidos mediante el coprocesamiento de materias primas renovables en refinerías con materias primas de petróleo.

En relación con la producción de «aceites análogos», se aplicarán las siguientes definiciones:

  • «Tratamiento con hidrógeno»: conversión termoquímica de triglicéridos con hidrógeno para producir alcanos; se refiere al procesamiento de combustible. Las fuentes de los triglicéridos suelen ser las grasas y los aceites, los residuos adecuados, las fracciones residuales de grasa y las grasas procedentes de algas.
  • «Combustibles líquidos obtenidos mediante la conversión de gases», «combustibles líquidos obtenidos mediante la conversión de biomasa», «combustibles líquidos obtenidos mediante la conversión de biogases»: conversión de gases en combustibles líquidos mediante el proceso de Fischer-Tropsch o procesos equivalentes. En el caso de los «combustibles líqui dos obtenidos mediante la conversión de biomasa», hay un paso previo, que es la «conversión de bio masa en gas».

Nota complementaria 5

1. A reserva de las disposiciones de la nota complementaria 5 n), hay que precisar que la exención prevista se aplica a la totalidad de los productos sometidos a un tratamiento definido.

En consecuencia, si un producto petrolífero se sometiese, por ejemplo, a una alquilación o a una polimerización, incluso la parte que no fuese efectivamente transformada (alquilada o polimerizada) disfrutaría de la exención.

2. En el caso en que sea necesaria una preparación previa al «tratamiento definido» (véase el último párrafo de la nota complementaria 5), para disfrutar de la exención son indispensables dos condiciones:

  1. que el producto importado se someta efectivamente a un «tratamiento definido»; por ejemplo, a un craqueo;
  2. que la preparación previa sea técnicamente necesaria para el «tratamiento definido».

Se considera «preparación previa» indispensable para los productos destinados a un «tratamiento definido»:

  1. el desgaseado;
  2. el secado;
  3. la eliminación de ciertos productos ligeros o pesados que puedan perjudicar el tratamiento;
  4. la eliminación o la transformación de los mercaptanos (suavizado o endulzado), de otros componentes sulfurados o de otras sustancias perjudiciales para el tratamiento;
  5. la neutralización;
  6. la decantación;
  7. el desalado.

Las cantidades de productos obtenidos, eventualmente, durante una preparación previa y que no se sometan a un tratamiento definido están sujetas a los derechos de aduana aplicables a los productos «destinados a otros usos», según la clase y el valor de los productos importados, tomando como base el peso neto de los productos que se hayan obtenido.

Nota complementaria 5 a)

Por destilación al vacío, se entenderá la destilación a una presión que no exceda de 400 milibares, medida en la cabecera de la columna.

Nota complementaria 5 b)

Se entenderá por redestilación mediante un procedimiento extremado de fraccionamiento, el proceso de destilación (excepto la destilación atmosférica «topping») aplicado en instalaciones industriales de ciclo continuo o discontinuo que empleen destilados de las subpartidas 2710.12.11 a 2710.19.48, 2711.11.00, 2711.12.91 a 2711.19.00, 2711.21.00 y 2711.29.00 (excepto el propano de pureza igual o superior a 99 %) para obtener:

1. hidrocarburos aislados de un grado de pureza elevado (90 % o más para las olefinas y 95 % o más para los demás hidrocarburos), debiendo considerarse las mezclas de isómeros de un mismo compuesto orgánico como hidrocarburos aislados.

Hay que señalar que solo se admiten tratamientos por los cuales se obtengan, por lo menos, tres productos diferentes, restricción que no se aplica cada vez que el tratamiento implique una separación de isómeros. A este respecto, en relación con los xilenos, el etilbenceno se considera un isómero;

2. productos de las subpartidas 2707.10.00 a 2707.30.00, 2707.50.00 y 2710.12.11 a 2710.19.48:

  1. en los que no se admite un solapado del punto final de ebullición de un corte con el punto inicial de ebullición del corte siguiente, cuyos intervalos de temperatura entre los puntos de destilación en volumen 5 % y 90 %, incluidas las pérdidas, sean iguales o inferiores a 60 grados Celsius, según la norma EN ISO 3405 (equivalente a la norma ASTM D 86);
  2. en los que se admite un solapado del punto final de ebullición de un corte y el punto inicial de ebullición del corte siguiente, cuyos intervalos de temperatura entre los puntos de destilación en volumen 5 % y 90 %, incluidas las pérdidas, sean iguales o inferiores a 30 grados Celsius, según la norma EN ISO 3405 (equivalente a la norma ASTM D 86).

Nota complementaria 5 c)

Se entenderá por craqueo, los tratamientos industriales que tiene por objeto la ruptura de las moléculas de los productos petrolíferos y la modificación de la estructura química por medio del calor, con presión o sin ella, con catalizador o sin él, mediante los que se obtienen principalmente mezclas de hidrocarburos más ligeros, líquidos o gaseosos, en las condiciones normales de temperatura y de presión.

Los principales tratamientos de craqueo son los siguientes:

  1. el craqueo térmico;
  2. el craqueo catalítico;
  3. el vapocraqueo (steamcracking) para la obtención de hidrocarburos gaseosos;
  4. el hidrocraqueo (hydrocracking) (tratamiento de craqueo con hidrogenación);
  5. la deshidrogenación;
  6. la desalquilación;
  7. la reducción sobre coque;
  8. la viscorreducción (visbreaking).

Nota complementaria 5 d)

Se entenderá por reformado, los tratamientos térmicos, o incluso catalíticos, de aceites ligeros o medios para aumentar el contenido de aromáticos. El reformado catalítico se utiliza, por ejemplo, para transformar los aceites ligeros de primera destilación en aceites ligeros que tengan un índice de octano más elevado (con un alto contenido de hidrocarburos aromáticos) o de mezclas de hidrocarburos que contengan benceno, tolueno, xilenos, etilbenceno, etc.

Los principales tratamientos de reformado catalítico son los que utilizan platino como catalizador.

Nota complementaria 5 e)

Se entenderá por extracción con disolventes selectivos, los procedimientos de separación de grupos de productos que tengan una estructura molecular diferente, por medio de disolventes específicos que ejerzan una actividad selectiva (furfurol, fenol, éter, etílico, diclorado, anhídrido sulfuroso, nitrobenceno, urea y ciertos derivados de la urea, acetona, propano, metiletilcetona, metilisobutilcetona, glicol, N-metil-morfolina, etc.).

Nota complementaria 5 g)

Se entenderá por polimerización, los procedimientos industriales por los que, con calor o sin él, con catalizador o sin él, los hidrocarburos no saturados se unan formando uno o varios de sus polímeros o copolímeros.

Nota complementaria 5 h)

Se entenderá por alquilación cualquier reacción térmica o catalítica en la que los hidrocarburos no naturados se unen a otros hidrocarburos, especialmente a las isoparafinas o a los aromáticos.

Nota complementaria 5 ij)

Se entenderá por isomerización, la transformación de la estructura de los componentes de los productos petrolíferos sin modificación de la fórmula bruta.

Nota complementaria 5 l)

Entre los procedimientos de desparafinado, a efectos de esta nota complementaria, se pueden citar, por ejemplo:

  1. el desparafinado por la acción del frío (con disolventes o sin ellos);
  2. el tratamiento microbiológico;
  3. el desparafinado por medio de urea;
  4. el tratamiento con tamices moleculares.

Nota complementaria 5 n)

Se entenderá por destilación atmosférica la realizada a una presión del orden de 1 013 milibares, medida en la cabecera de la columna.

Nota complementaria 6

1. Se entenderá por «transformación química» cualquier operación que tenga por objeto la transformación molecular de uno o de varios componentes del producto petrolífero tratado.

No se considera «transformación química» por ejemplo, la simple mezcla de un producto petrolífero con otro producto, petrolífero o no. Por ello, la incorporación a una pintura de «white spirit», por ejemplo: o de un aceite de engrase o a una tinta de imprenta, no puede considerarse que responda a la definición de «transformación química». Puede decirse lo mismo de cualquier utilización de los productos petrolíferos como disolventes, como carburantes o como combustibles.

2. Ejemplos de «transformaciones químicas»:

a) acción de los halógenos o de compuestos halogenados:

  1. reacción del propileno contenido en un corte gaseoso petrolífero para obtener derivados orgánicos (por ejemplo: para obtener óxido de propileno);
  2. tratamiento de cortes petrolíferos (gasolina, queroseno, gasóleo) y de parafina, de ceras de petróleo o de residuos parafínicos, con el cloro o los compuestos clorados para obtener cloroparafinas;

b) acción de las bases (sosa, potasa, amoníaco, etc.) para obtener ácidos nafténicos;

c) acción del ácido sulfúrico y de su anhídrido para:

  1. obtener sulfonatos;
  2. extraer u isobutileno;
  3. sulfonar gasóleo o aceites lubricantes.

El aceite añadido después de la sulfonación no disfruta exención;

d) sulfocloruración;

e) hidratación, principalmente para obtener alcoholes por transformación de los hidrocarburos no saturados contenidos en un corte petrolífero gaseoso;

f) tratamiento con anhídrido maleico, principalmente, tratamiento del butadieno mezclado en un corte petrolífero gaseoso de cuatro átomos de carbono para obtener el ácido tetrahidroftálico;

g) tratamiento con fenol, por ejemplo, reacción de olefinas del petróleo y de fenoles en presencia de un catalizador, para obtener alquilfenoles;

h) oxidación:

  1. oxidación de aceites pesados para obtener betunes soplados de la subpartida 2713.20.00;
  2. oxidación de cualquier producto petrolífero para obtener productos químicos elaborados, ácidos, aldehídos, cetonas, alcoholes, etc., como, por ejemplo, la oxidación a presión en caliente de fracciones ligeras para obtener los ácidos acético, fórmico, propiónico y succínico;

ij) deshidrogenación, principalmente:

  1. de hidrocarburos nafténicos para obtener hidrocarburos aromáticos (por ejemplo: benzoles);
  2. de hidrocarburos parafínicos para obtener olefinas líquidas, utilizadas, por ejemplo: en la fabricación de alquilbencenos biodegradables;

k) oxosíntesis;

l) incorporación irreversible de aceites pesados a los altos polímeros (látex natural o sintético, caucho butilo, poliestireno, etc.);

m) fabricación de productos de la partida 28.03;

n) nitración para obtener nitroderivados;

o) tratamiento biológico de ciertos cortes petrolíferos que contengan n-parafinas para obtener proteínas u otros productos orgánicos complejos.

Anexos Unión Europea

directorio
Directorio Internacional
Registre su Empresa en el Directorio Internacional de Operadores de Comercio Exterior
Registrar
Anunciar

Anexo A

MÉTODO PARA DETERMINAR EL CONTENIDO DE COMPUESTOS AROMÁTICOS EN LOS PRODUCTOS CUYO PUNTO FINAL DE DESTILACIÓN SE SITÚA POR ENCIMA DE 315 °C

1. Ámbito de aplicación

El presente método de ensayo tiene por objeto la determinación del contenido de compuestos aromáticos y no aromáticos de los aceites minerales.

2. Definición

2.1. Compuestos aromáticos: la porción de la muestra disuelta en el disolvente y adsorbida en el gel de sílice. Los compuestos aromáticos pueden contener: hidrocarburos aromáticos, compuestos aromáticos nafténicos condensados, olefinas aromáticas, asfaltenos, compuestos aromáticos que contengan azufre, nitrógeno, oxígeno y aromáticos polares.

2.2. Compuestos no aromáticos: la porción de la muestra que no es adsorbida en el gel de sílice y que es eluida por el disolvente (como por ejemplo los hidrocarburos no aromáticos).

3. Principio del método

La muestra, disuelta en n-pentano, se deja filtrar a través de una columna cro matográfica especial llena de gel de sílice. Los compuestos no aromáticos, eluidos con disolvente, se recogen a continuación y se pesan tras la evaporación del disolvente.

Las muestras que no se disuelvan en n-pentano deberán disolverse en ciclohexano.

4. Instrumental y reactivos

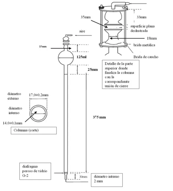
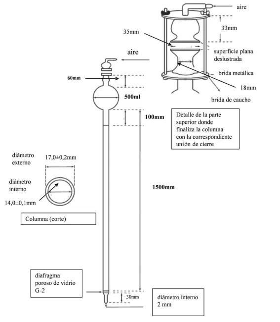
Columna cromatográfica: se compone de un tubo de vidrio cuyas dimensiones y forma figuran en el croquis que se muestra a continuación. La abertura superior debe poder cerrarse con una junta de vidrio cuya superficie plana deslustrada esté unida a la parte superior de la columna por dos bridas metálicas recubiertas de caucho. El cierre debe ser perfectamente estanco de forma que pueda aplicarse una presión de aire o de nitrógeno.

Gel de sílice: granulometría igual o superior a 200 mesh. Antes de utilizarse, debe ser activado durante siete horas en una estufa mantenida a 170 °C y colocado en un desecador para que se enfríe. Tras su activación, el gel de sílice debe utilizarse en el plazo de unos días.

Disolvente I n-pentano: grado de pureza del 95 % como mínimo, exento de aromáticos.

Disolvente II ciclohexano: grado de pureza del 98 % como mínimo, exento de aromáticos.

5. Procedimiento 1 (columna cromatográfica 1)

Preparación de la solución de la muestra: disolver aproximadamente 3,6 g de la muestra (pesados con exactitud) en 10 ml de n-pentano (I). Si la muestra es insoluble en n-pentano, se disolverá en ciclohexano, y para la determinación se utilizará ciclohexano (II) en lugar de n-pentano (I).

Llenar la columna cromatográfica (columna cromatográfica 1) con el gel de sílice previamente activado, hasta aproximadamente 10 cm de la esfera superior de vidrio, compactando con cuidado el contenido de la columna por medio de un vibrador, con objeto de que no quede ningún canal de aire. Colocar a continuación un tampón de lana de vidrio en la parte superior de la columna de gel de sílice.

Humectar previamente el gel de sílice con 180 ml de disolvente (I) o (II) y aplicar por encima una presión de aire o de nitrógeno hasta que el nivel superior del líquido alcance el nivel superior del gel de sílice.

Eliminar con precaución la presión en el interior de la columna e introducir aproximadamente 3,6 g de la muestra (pesados con exactitud y expresados al segundo decimal) disuelta en 10 ml del disolvente (I) o (II); aclarar a continuación el vaso de precipitados con otros 10 ml del disolvente (I) o (II) que se verterán también en la columna.

Aplicar progresivamente la presión haciendo pasar, gota a gota, el líquido del tubo capilar inferior de la columna a una velocidad de un mililitro por minuto, aproximadamente, y recoger este líquido en un matraz de 500 ml.

Cuando el nivel del líquido que contiene la sustancia que hay que separar descienda hasta el nivel superior del gel de sílice, eliminar de nuevo la presión con precaución y añadir 230 ml de disolvente (I) o (II); volver a aplicar inmediatamente la presión y hacer descender el nivel del líquido hasta el nivel superior del gel de sílice recogiendo el eluido en el mismo matraz empleado anteriormente.

Antes de que el nivel del líquido que contiene la sustancia que hay que separar descienda hasta el nivel superior del gel de sílice, controlar el eluido para detectar la presencia de aromáticos utilizando la espectometría infrarroja por transformada de Fourier (FT-IR). Si el eluido contiene únicamente hidrocarburos alifáticos, añadir de nuevo 50 ml de disolvente (I) o (II) después de eliminar la presión. Repetir este paso, en caso necesario.

Hacer evaporar la fracción recogida hasta reducir considerablemente su volumen en una estufa de vacío a 35 °C o en un evaporador de vacío rotatorio o aparato similar, efectuando a continuación un trasvase cuantitativo a un vaso de precipitados calibrado, utilizando más disolvente (I) o (II).

Hacer evaporar el contenido del vaso de precipitados en una estufa de vacío a 35 °C hasta un peso constante (P). La diferencia entre los dos últimos pesos no debe exceder de 0,01 g. El lapso de tiempo transcurrido entre las dos pesadas debe ser de 30 minutos, como mínimo.

El porcentaje en peso de compuestos no aromáticos (A) viene dado por la fórmula siguiente:

A= P/P1 *100

en la que P1 representa el peso de la muestra analizada.

La diferencia con relación a 100 es el porcentaje de compuestos aromáticos absorbidos por el gel de sílice.

6. Precisión del método

Repetibilidad: 5 %.

Reproducibilidad: 10 %.

7. Procedimiento 2 (columna cromatográfica 2)

Preparación de la solución de la muestra: disolver aproximadamente 0,9 g de la muestra (pesados con exactitud) en 2,5 ml de n-pentano (I). Si la muestra es insoluble en n-pentano, se disolverá en ciclohexano y para la determinación se utilizará ciclohexano (II) en lugar de n-pentano (I).

Llenar la columna cromatográfica (columna cromatográfica 2) con el gel de sílice previamente activado, hasta aproximadamente 2,5 cm de la esfera superior de vidrio, compactando con cuidado el contenido de la columna por medio de un vibrador, con objeto de que no quede ningún canal de aire. Colocar a continuación un tampón de lana de vidrio en la parte superior de la columna de gel de sílice.

Humectar previamente el gel de sílice con 45 ml de disolvente (I) o (II) y aplicar por encima una presión de aire o de nitrógeno hasta que el nivel superior del líquido alcance el nivel superior del gel de sílice.

Eliminar con precaución la presión en el interior de la columna e introducir aproximadamente 0,9 g de la muestra (pesados con exactitud y expresados al segundo decimal) disuelta en 2,5 ml de disolvente (I) o (II); aclarar a continuación el vaso de precipitados con otros 2,5 ml de disolvente (I) o (II) que se verterán también en la columna.

Aplicar progresivamente la presión haciendo pasar, gota a gota, el líquido del tubo capilar inferior de la columna a una velocidad de un mililitro por minuto, aproximadamente, y recoger este líquido en un matraz de 250 ml.

Cuando el nivel del líquido que contiene la sustancia que hay que separar descienda hasta el nivel superior del gel de sílice, eliminar de nuevo la presión con precaución y añadir 57,5 ml de disolvente (I) o (II); volver a aplicar inmediatamente la presión y hacer descender el nivel del líquido hasta el nivel superior del gel de sílice recogiendo el eluido en el mismo matraz empleado anteriormente.

Antes de que el nivel del líquido que contiene la sustancia que hay que separar descienda hasta el nivel superior del gel de sílice, controlar el eluido para detectar la presencia de aromáticos utilizando la espectometría infrarroja por transformada de Fourier (FT-IR). Si el eluido contiene únicamente hidrocarburos alifáticos, añadir de nuevo 12,5 ml de disolvente (I) o (II) después de eliminar la presión. Repetir este paso, en caso necesario.

Hacer evaporar la fracción recogida hasta reducir considerablemente su volumen en una estufa de vacío a 35 °C o en un evaporador de vacío rotatorio o aparato similar, efectuando a continuación un trasvase cuantitativo a un vaso de precipitados calibrado, utilizando más disolvente (I) o (II).

Hacer evaporar el contenido del vaso de precipitados en una estufa de vacío a 35 °C hasta un peso constante (P). La diferencia entre los dos últimos pesos no debe exceder de 0,01 g. El lapso de tiempo transcurrido entre las dos pesadas debe ser de 30 minutos, como mínimo.

El porcentaje en peso de compuestos no aromáticos (A) viene dado por la fórmula siguiente:

A= P/P1 *100

en la que P1 representa el peso de la muestra analizada.

La diferencia con relación a 100 representa el porcentaje de compuestos aromáticos absorbidos por el gel de sílice.

8. Precisión del método

Repetibilidad: 5 %.

Reproducibilidad: 10 %.

Columna cromatográfica 1

columna cromatográfica 1

Columna cromatográfica 2

columna cromatográfica 2

Anexo B

MÉTODO PARA LA DETERMINACIÓN DEL PUNTO DE SOLIDIFICACIÓN DEL NAFTALENO

Fúndase removiendo unos 100 gramos de naftaleno un una cápsula de porcelana de unos 100 cm3. Introdúzcanse unos 40 centímetros cúbicos de la masa fundida en un frasco de «Shukoff» previamente calentado de modo que llegue a los 3/4. Introdúzcase a continuación un termómetro dividido en décimas de grado a través de un tapón de corcho, de tal modo que el depósito de mercurio se encuentre en medio del líquido. Cuando la temperatura se aproxime al punto de solidificación del naftaleno (alrededor de los 83 grados Celsius), se provoca la cristalización agitando continuamente. Desde que se forman los primeros cristales, la columna de mercurio se inmoviliza generalmente, y después vuelve a descender. Se anota la temperatura a la que el mercurio se ha inmovilizado y continua estable durante cierto tiempo y se considera que esta temperatura representa el punto de solidificación del naftaleno, después de las correcciones necesarias para tener en cuenta la parte de la columna de mercurio que está al exterior.

Puede admitirse que esta corrección es igual, para un termómetro de mercurio, a:

n (t - t') / 6000

siendo n el número de graduaciones de la columna de mercurio que se encuentran en el exterior, t la temperatura anotada y t′ la temperatura media de la columna de mercurio que está al exterior. t′ puede determinarse aproximadamente con un termómetro auxiliar cuyo depósito esté a la mitad de la altura de la parte de la columna situada al exterior. La utilización de un termómetro de columna capilar garantiza una mayor precisión.

El frasco «Shukoff» dibujado más abajo es un recipiente de vidrio de dobles paredes entre las cuales se ha hecho el vacío:

método de solidificación del naftaleno
Copied to clipboard
Notas Explicativas del Sistema Armonizado
Actualizado el 7 Diciembre, 2025
Español
  • Partida 27.01
  • Partida 27.02
  • Partida 27.03
  • Partida 27.04
  • Partida 27.05
  • Partida 27.06
  • Partida 27.07
  • Partida 27.08
  • Partida 27.09
  • Partida 27.10
  • Partida 27.11
  • Partida 27.12
  • Partida 27.13
  • Partida 27.14
  • Partida 27.15
  • Partida 27.16
Enlaces transversales de Book para Capítulo 27
  • Partida 26.21
  • Arriba
  • Partida 27.01

Índice libro

  • Sección I
  • Sección II
  • Sección III
  • Sección IV
  • Sección V
    • Capítulo 25
    • Capítulo 26
    • Capítulo 27
      • Partida 27.01
      • Partida 27.02
      • Partida 27.03
      • Partida 27.04
      • Partida 27.05
      • Partida 27.06
      • Partida 27.07
      • Partida 27.08
      • Partida 27.09
      • Partida 27.10
      • Partida 27.11
      • Partida 27.12
      • Partida 27.13
      • Partida 27.14
      • Partida 27.15
      • Partida 27.16
  • Sección VI
  • Sección VII
  • Sección VIII
  • Sección IX
  • Sección X
  • Sección XI
  • Sección XII
  • Sección XIII
  • Sección XIV
  • Sección XV
  • Sección XVI
  • Sección XVII
  • Sección XVIII
  • Sección XIX
  • Sección XX
  • Sección XXI

Contenido reciente

  • Embargos de la DIAN en Colombia: qué son, cómo funcionan y qué implican para los contribuyentes
    5 Marzo, 2026
  • Colombia instala un radar en la frontera con Ecuador en medio de tensiones por narcotráfico y comercio
    5 Marzo, 2026
  • Expiración del tratado Nuevo START: qué significa para la seguridad nuclear global
    5 Marzo, 2026
  • Emigración récord de estadounidenses: causas, destinos y efectos en la economía global
    5 Marzo, 2026
  • Por qué la UE rechaza la adhesión “inversa” de Ucrania y qué significa para su ingreso
    5 Marzo, 2026
  • Tren transcontinental Brasil‑Perú: el megaproyecto ferroviario que busca integrar Sudamérica
    5 Marzo, 2026
  • Paraguay y Taiwán: la alianza diplomática que desafía el mapa político global
    5 Marzo, 2026
  • Chile en el centro de la rivalidad tecnológica entre Estados Unidos y China
    5 Marzo, 2026
  • CAF aprueba USD 1.130 millones para fortalecer seguridad, resiliencia climática y gestión del agua
    5 Marzo, 2026
  • Tratado Histórico sobre Gibraltar: Qué Cambia en la Frontera, Comercio y Cooperación
    3 Marzo, 2026
  • Muerte del Ayatolá en Irán, crisis del régimen y sus efectos en la economía global
    1 Marzo, 2026
  • Cómo los ataques y la escalada bélica en Medio Oriente están afectando el comercio y la economía internacional
    1 Marzo, 2026
  • Cómo Registrar una Marca en Estados Unidos y su Importancia para el Comercio Internacional
    27 Febrero, 2026
  • Cómo Registrar una Marca en México y su Importancia para el Comercio Internacional
    27 Febrero, 2026
  • Calculadora de Impuestos Aduaneros México
    24 Febrero, 2026
  • Reglas Interpretativas del Sistema Armonizado
    24 Febrero, 2026
  • Notas Explicativas del Sistema Armonizado
    23 Febrero, 2026
  • Escasez de Conductores en la Unión Europea y su Impacto en la Logística
    23 Febrero, 2026
  • El Operador Logístico y los Desafíos de la Cadena Comercial Internacional
    23 Febrero, 2026
  • Impulso Logístico en la Amazonía: El Nuevo Corredor Multimodal Perú‑Brasil
    23 Febrero, 2026
0

Contenido

  • Derecho Internacional
  • Incoterms
  • Legislación Aduanera
  • Logística
  • Merceología
  • Operaciones Internacionales
  • Organismos de Control

Países

  • Bolivia
  • Colombia
  • Ecuador
  • América Central
  • Internacional
  • México
  • Perú
  • Uruguay
  • Costa Rica
  • Venezuela
  • Argentina
  • Chile
  • Panamá
  • Unión Europea
  • Estados Unidos
  • China

Categorías

  • Clasificación Arancelaria
  • Operaciones Aduaneras
  • Obligación Tributaria
  • Política Comercial
  • Tránsito Internacional
E-Aduana© 2021 - 2026 | Desarrollado por Jaime Mise